一般仕様:
ステップ精度……………………………………………………±5%
温度上昇………………………………………………80°C マックス
周囲温度範囲………………………………-20°C—+50°C
絶縁抵抗………………………………100MΩMin.500VC DC
絶縁耐力……………………………………AC500V 1分間
電気仕様
| シリーズ モード | ステップ 角度° | モーター 長さ | 評価済み | 評価済み | 段階 | 段階 | ホールディング | 戻り止め | ローター トルク g.cm2 | 鉛 | モーター |
| 17HS3404N | 1.8 | 34 | 12 | 0.4 | 30 | 38 | 0.32 | 1.6 | 35 | 4 | 0.22 |
| 17HS3603 | 1.8 | 34 | 10.2 | 0.3 | 34 | 25.5 | 0.22 | 2.0 | 34 | 6 | 0.22 |
| 17HS3413 | 1.8 | 34 | 3.2 | 1.33 | 2.45 | 4.0 | 0.3 | 1.2 | 35 | 4 | 0.22 |
| 17HS4604 | 1.8 | 40 | 12 | 0.4 | 30 | 28.2 | 0.38 | 1.5 | 54 | 6 | 0.28 |
| 17HS4404 | 1.8 | 40 | 5.0 | 0.4 | 12.5 | 21 | 0.22 | 2.2 | 54 | 4 | 0.28 |
| 17HS4612 | 1.8 | 40 | 3.6 | 1.2 | 3.0 | 2.8 | 0.4 | 2.2 | 54 | 6 | 0.28 |
| 17HS4401N | 1.8 | 40 | 2.55 | 1.7 | 1.5 | 2.8 | 0.4 | 2.2 | 54 | 4 | 0.28 |
| 17HS4417P1-X4 | 1.8 | 40 | 2.55 | 1.7 | 1.5 | 2.8 | 0.4 | 2.2 | 54 | 4 | 0.28 |
| 17HS8630N | 1.8 | 48 | 12 | 0.4 | 30 | 28 | 0.48 | 2.8 | 68 | 6 | 0.36 |
| 17HS5608 | 1.8 | 48 | 6 | 0.8 | 7.5 | 6.3 | 0.32 | 2 | 68 | 6 | 0.36 |
| 17HS5413 | 1.8 | 48 | 4.16 | 1.3 | 3.2 | 5.5 | 0.52 | 2.6 | 68 | 4 | 0.36 |
| 17HS5417 | 1.8 | 48 | 3.06 | 1.7 | 1.8 | 3.2 | 0.52 | 2.6 | 68 | 4 | 0.36 |
| 17HS5423 | 1.8 | 48 | 2.76 | 2.3 | 1.2 | 1.6 | 0.46 | 2.6 | 68 | 4 | 0.36 |
| 17HS5415P1-X6 | 1.8 | 48 | 4.2 | 1.5 | 2.8 | 1.8 | 0.55 | 2.8 | 68 | 4 | 0.36 |
| 17HS8403N | 1.8 | 48 | 3.1 | 2.5 | 1.25 | 1.8 | 0.48 | 2.8 | 68 | 4 | 0.36 |
※お客様のご要望に応じた製品の製作も可能です。
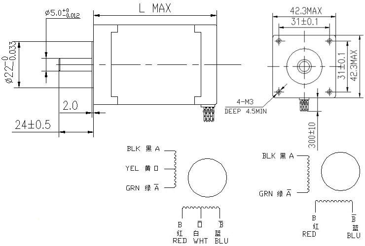
寸法:単位=mm











