ナットスリーブ

ナッツ

CNC用台形ネジナット真鍮銅リード

111

送りねじ用ナット 

  アイテム

台形ねじ用タイプ

大口径

(んん)

小さい

直径

(んん)

身長

(んん)

材料

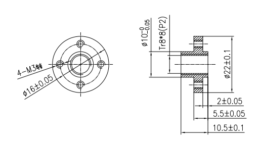
ナット-5

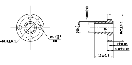
Tr8*8(p2)

22

10

10.5

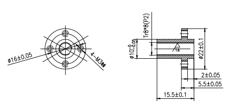
ナット-11

Tr8*8(p2)

22

10

15.5

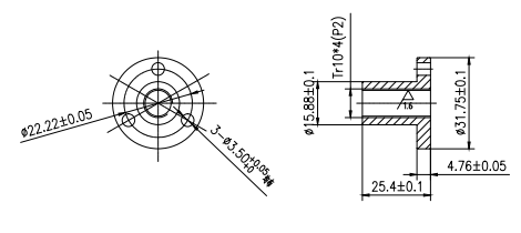
ナット-27

Tr10*4(p2)

31.75

5.88

25.4

ナット-32

Tr8*8(p2)

22

10

15

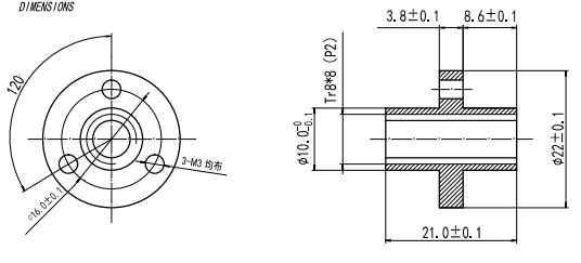
ナット-35

Tr8*8(p2)

22

10

21

1111 1112 1113 1114 1115

さらに詳しい情報や他のサイズが必要な場合は、お問い合わせください。


WhatsAppオンラインチャット!